微型直線導軌尺寸表
介紹及尺寸表對照
(1)MGN-C / MGN-H
在上銀直線導軌MGN系列中,具有體積小、輕量化,特別適合小型化設備使用的原則。 滑塊、滑軌材質提供不銹鋼及一般鋼兩種。不銹鋼材質之線性滑軌,包含滑塊、滑軌及其它金屬配件如鋼珠、保持器等,皆使用不銹鋼材質,具備防銹的特性。 采用哥德型四點接觸設計,可承受各方向負荷,具備剛性強,精度高等特性。 有鋼珠保持器設計,在精度允許下具備互換性。

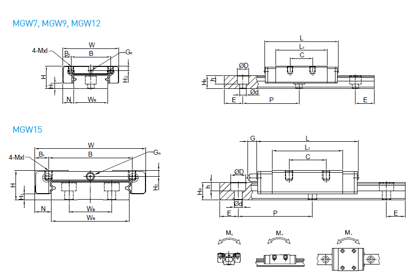
(2)MGW-C / MGW-H
而MGW(寬幅)系列則是加寬滑軌之設計大幅提升力矩負荷能力,可單軸使用。 哥德型四點接觸設計,可承受各種方向之負荷并具有高剛性之特點。 滑塊裝有微小型保持鋼絲,取下滑塊鋼珠也不會脫落。
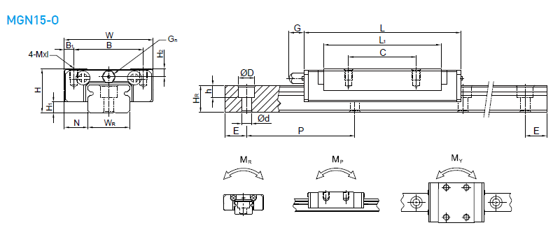
(3)MGN-C-O / MGN-H-O


在MGN-O中,它同樣具體體積小、輕量化,滑塊主體的一部分采用了樹脂材料,重量減少約20%,特別適合小型化設備使用。不銹鋼材質之線性滑軌,包含滑塊、滑軌及其它金屬配件如鋼珠、保持器等,皆使用不銹鋼材質,具備防銹的特性。采用哥德型四點接觸設計,可承受各方向負荷,具備剛性強,精度高等特性。有鋼珠保持器設計,在精度允許下具備互換性。
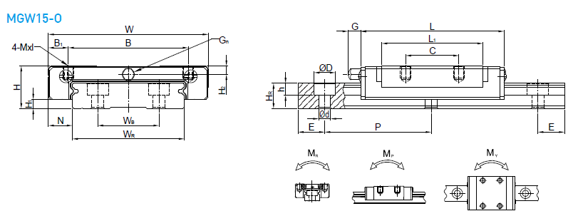
(4) MGW-C-O / MGW-H-O


MGW-O(寬幅)則在加寬滑軌之設計大幅提升力矩負荷能力,可單軸使用。模塊化回流系統設計,采用樹脂材料,重量減少約20%。哥德型四點接觸設計,可承受各種方向之負荷并具有高剛性之特點。滑塊裝有微小型保持鋼絲,取下滑塊鋼珠也不會脫落。
普遍應用于半導體制造設備、印刷電路板IC組裝設備、醫(yī)療設備、機器手臂、精密量測儀器、辦公室自動化設備、其它小型直線滑動裝置
以下為相關尺寸對照。